LHM 254 can provide characteristic lines of 253.65, 312.57, 313.15, 313.18, 365.02, 404.66, 435.84, 546.07, 576.96, 579.07nm,which can be used for spectrometer wavelength calibration.
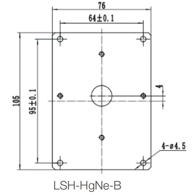
LSH-HgNe-A/B Mercury Neon Lamp
LSH-HgNe-A/B Mercury Neon lamp is combination of mercury lamp and neon lamp, it can provide characteristic lines from UV to NIR, mainly used for spectrometer wavelength calibration.
A is for motorized slit
B is for manual slit

LSW-Ne-M Neon Lamp
LSW-Ne-M is a compact and portable calibration light source, it features crystalline silicon wafer and the cross target can be used for spectrometer calibration as well as the Raman spectrometer calibration.